Anonymous 03/03/2024 (Sun) 19:51 No.36687 del
Как уже сказал в рандоме - своё я таки победил.
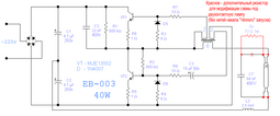
А сюда закину три перерисованные схемы реальных ЭПРАшек люминесцентных ламп.
Кементов? Ну с одного боку, таки, нормальной регулировки мощности не предусмотрено, в свободном виде из А в Б не превратить.
(вот даже, рассмотрим степень отличий выложенных EB шек - дешёвых и простых китайских нонеймов)
Но в принципе с одной стороны, грубо, предельная сила тока определяется номиналами резисторов L1 и L2 (см EB-003 20W), в виде больше - меньший ток. А так-же, тонко, индуктивностью L2.
В то-же время увелечение номиналов резиков L1 и L2 бодро ограничивает пределы пускового напряжения (тобишь можно попасть в лампа уже не хочет запускаться, но рабочий ток для неё всё ещё большой)
Также, потенциально, и очень грубо, то определяется номиналами кондёров C1 и C2 (где этот делитель вообще есть), но тут, оценил крайне значительное влияние и на том свернул эксперименты (в том числе в виду отсутствия у меня на руках широкого выбора высоковольтных кондёров)

Ещё раз касательно Rx и красных линий - это вполне повсеместно-универсальное решение превращения типового заводского ЭПРА в запускайку ламп с горелыми нитями накала, но ещё не деградировавшим парогазом (к примеру тех самых "толстых" вечных советских ЛД/ЛБ/ЛЦшек). Сам резистор должен быть МЛТ хотя-бы на 1ватт и расположен в месте с более-менее нормальной вентиляцией т.к. через него на первых секундах запуска идёт значительный ток успевающий сильно разогреть оный (а потом при выходе лампы на рабочий режим ток спадает до мизерных значений).